
thzl@shth.com.cn

021-34679131
021-34679132
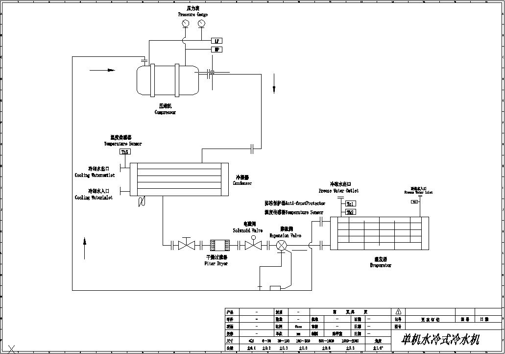
Taiheng brand water-cooled screw chiller is very widely used, suitable for plastic pipe, electroplating, coating, electronics, fine chemicals, pharmaceuticals, food additives, corn deep processing (starch), gold needle mushroom cultivation, grain and oil production, solar photovoltaic industry, air separation, real ice skating rink, automotive environmental testing module, engine intake system / Full room air conditioning, refrigeration, cold storage, chemical and pharmaceutical intermediates, non-ferrous metals, metallurgy, food processing and preservation industries.
|
Model |
THKL- |
100W |
135W |
180W |
195W |
235W |
260W |
305W |
320W |
350W |
385W |
||
|
Cooling capacity |
Kw(50HZ) |
100 |
135 |
180 |
195 |
235 |
260 |
305 |
320 |
350 |
385 |
||
|
104Kcal/h |
8.6 |
11.6 |
15.5 |
16.8 |
20.3 |
22.4 |
26.3 |
27.6 |
30.2 |
33.2 |
|||
|
Power Supply |
3N-380V50Hz |
||||||||||||
|
Operation control method |
PLC programmable controller fully automatic control |
||||||||||||
|
Compressor |
type |
5-6 asymmetric semi-closed twin screw compressor |
|||||||||||
|
Start type |
Y--∆ Start |
||||||||||||
|
Energy regulation |
0-33%-66%-100% |
0-25%-50%-75%-100% |
|||||||||||
|
power |
kw |
22.6 |
29.8 |
37.3 |
41.0 |
49.9 |
54.3 |
61.1 |
64.3 |
70.8 |
78.0 |
||
|
Start type |
39.3 |
51.9 |
64.9 |
71.3 |
86.8 |
94.5 |
106.3 |
111.9 |
123.2 |
135.7 |
|||
|
evaporator |
type |
High efficiency shell tube dry heat exchanger |
|||||||||||
|
water flow |
m³/h |
17.2 |
23.2 |
31.0 |
33.6 |
40.6 |
44.8 |
52.6 |
55.2 |
60.4 |
66.4 |
||
|
joint |
DN |
65 |
65 |
80 |
80 |
100 |
100 |
100 |
100 |
100 |
125 |
||
|
condenser |
type |
High efficiency shell and tube heat exchanger |
|||||||||||
|
water flow |
m³/h |
21.5 |
29.0 |
38.7 |
41.9 |
50.5 |
55.9 |
65.6 |
68.8 |
75.3 |
82.8 |
||
|
joint |
DN |
65 |
65 |
80 |
80 |
100 |
100 |
100 |
100 |
100 |
125 |
||
|
Refrigerant |
Model |
R22/R410(Optional)/R407c(Optional) |
|||||||||||
|
Charge quantity |
kg |
20 |
27 |
36 |
39 |
47 |
52 |
61 |
64 |
70 |
77 |
||
|
outline dimension |
L |
mm |
2100 |
2360 |
2450 |
2860 |
2860 |
2860 |
2860 |
2860 |
2860 |
3225 |
|
|
W |
mm |
700 |
700 |
900 |
900 |
900 |
900 |
900 |
900 |
900 |
900 |
||
|
H |
mm |
1410 |
1520 |
1580 |
1600 |
1720 |
1745 |
1745 |
1770 |
1880 |
1960 |
||
|
weight |
kg |
850 |
1150 |
1420 |
1540 |
1890 |
1940 |
1990 |
2050 |
2330 |
2550 |
||

|